Official Support-Page:
Hardware - Software - Utilities - FAQ - Docs
for
Z80-Family

Last updated:January 2010


The purpose of this page and its sub pages about members of Z80 family (and close relatives) is to collect and share information and good ideas. I know there are lots of people out there, who have developed some good utilities and hardware solutions. Now we all can share this infomation.
This page contain docs, FAQs, source code, (cross-)assemblers, (cross-)compilers, utilities, etc. as well as links to other Z80 relevant stuff.
Some of the info found here is property of Zilog, like hardware docs, instruction sets, and some of the software available. Read the copyright notice.
If you know an URL matching the subject of this WWW-page, tell me, and give recommendations where to place best.
Some of the links here are no more online and some are not yet correct: they are marked with a ??? sequence; in case you know the appropriate URL: I'm ready for an update.
Please report all updates, corrections and suggestions to the webmaster Gaby Chaudry.
Be aware of the fact that many products mentioned in this series of Z80 related documents are nowadays out of production: if you want to start a project, don't forget to check where to get the parts from, and what the conditions are ...

Yes I have read the legal info


Breaking News! Sharp has built a Z80 CPU on glass. Learn more about it in their press release Z80 8-Bit CPU Formed on Glass Substrate.


Table-of-Contents:



General Information about Z80-Family


Basic Information (Architecture)


Basic Information (Data Sheets)


Basic Information (Instruction Set)


Basic Information (Chips' Pinouts)


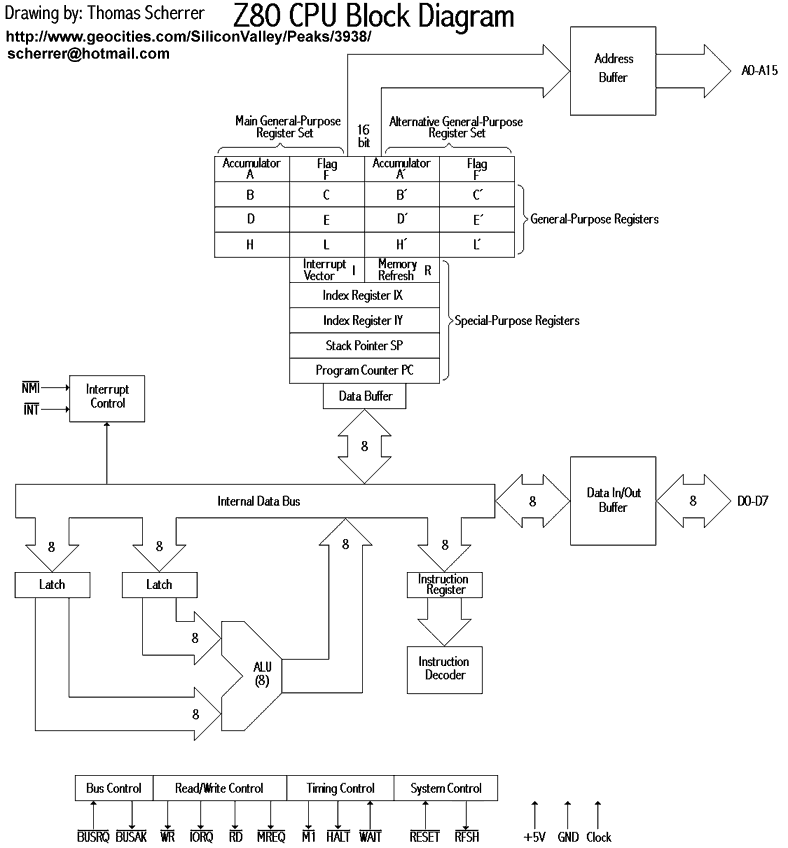
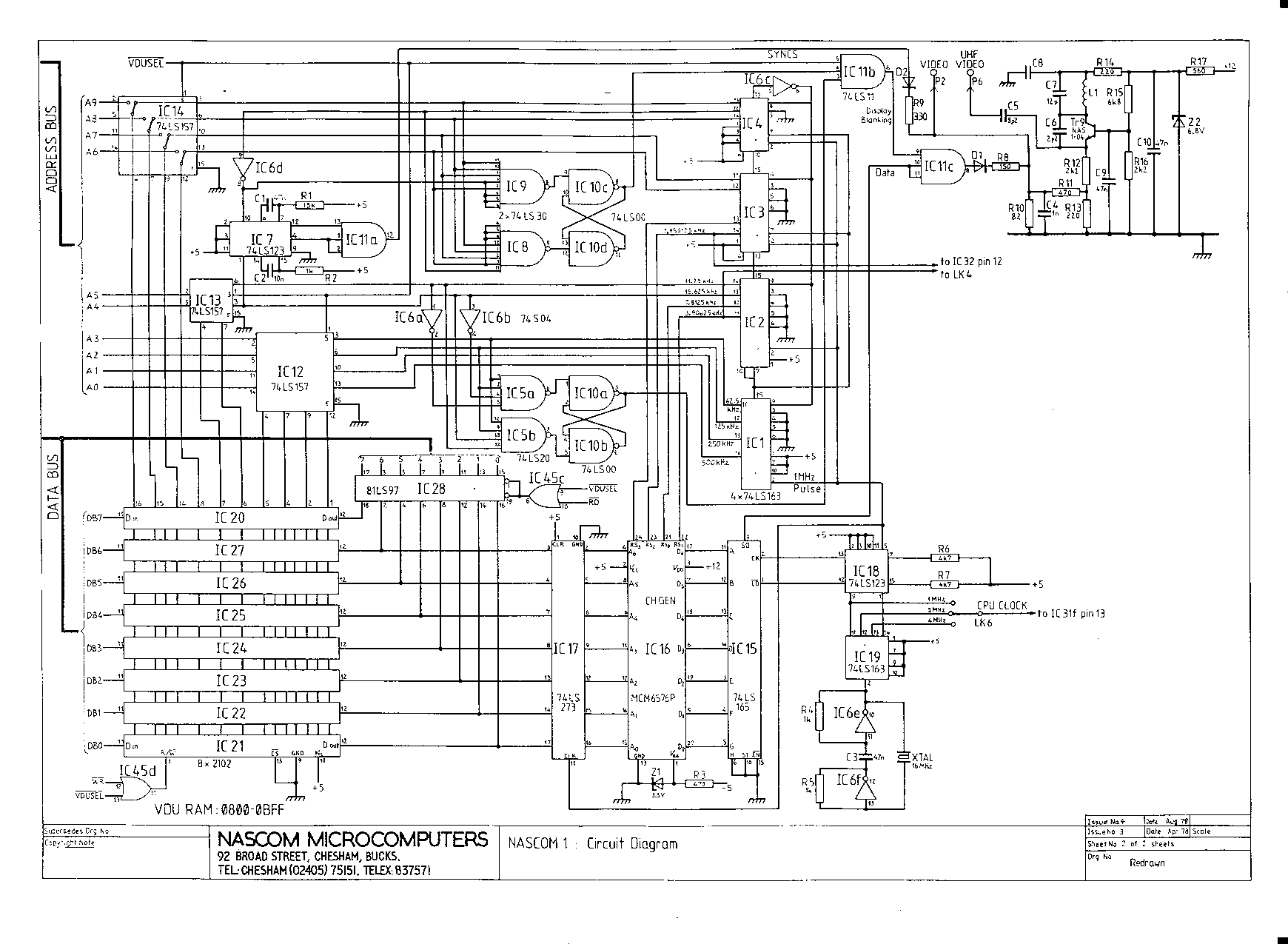
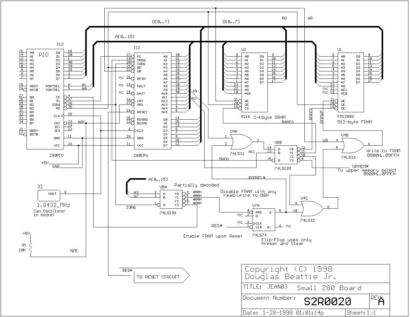
Basic Information (Circuit Schematics)


Software Tutorials


Special Items (Z80)


Source Code Examples ...

... in Assembly Language:

Source Code Requests from you:


Chip Distributors


Various useful z80 related sites



Back to Table-of_Contents
Back to Top

Last update: January 31, 2010.